Flag Electrostatics> Find the equivalent capacitance between A...
question mark

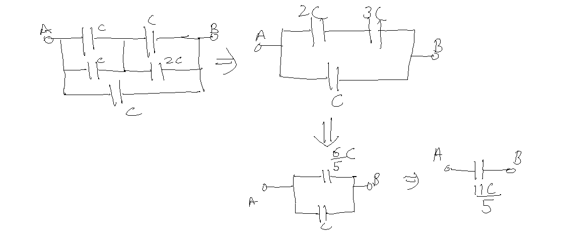
Find the equivalent capacitance between A and B. (ans:11C/5)

Atreyee Biswas , 8 Years ago
Grade
anser 1 Answers
Eshan
568-1676_123.png
Last Activity: 7 Years ago
star
LIVE ONLINE CLASSES

Prepraring for the competition made easy just by live online class.

tv

Full Live Access

material

Study Material

removal

Live Doubts Solving

assignment

Daily Class Assignments